This 12-inch (DN300) carbon steel swing check valve from a specialized plant is built to API 6D standards and features a durable ASTM A216 WCB body for reliable performance in demanding applications. Rated for Class 300 LB (PN50), it meets NACE requirements for sour service, making it suitable for use in corrosive environments. The valve is equipped with RF flanged ends for secure, leak-tight connections and utilizes a swing-type disc to automatically prevent backflow.
Product Name: ASTM A216 WCB Swing Check Valve, Cast Carbon Steel
Type: Swing Check Valve
Design Standard: API 6D
Body Material: ASTM A216 WCB
Size: 12 Inch, DN300
Pressure: Class 300 LB, PN50
End Connection: RF Flanged
NACE: Meeting NACE Requirements
Medium: Water, Oil, Gas, etc
Temperature Range: -29°C to 595°C
Universal Cast Steel Check Valves are meticulously engineered and manufactured in strict compliance with international standards such as API 6D, BS 1868, ASME B16.34, or their equivalents. These valves are designed to minimize flow resistance and pressure drop to the greatest extent possible. They are specifically intended for horizontal installation, with a lapped and screwed seat ring that ensures tight closure and long-lasting service. The valve disc is precisely designed, accurately machined, and guided to achieve efficient automatic shut-off at zero pressure, offering a compact structure and low-emission service. In its standard configuration, the swing check valve features a bolted cover and a free-swinging clapper, which acts as the closing member and responds to the prevailing conditions flow. While swing check valves are ideally suited for horizontal pipeline installations, heavier disc weights may lead to chattering issues. In such cases, dampers or counterweights should be provided to mitigate these problems.
Technical Specification
» Type: Swing Check Valve
» Nominal Diameter: NPS 2-24 Inch (DN50-DN600)
» Design Pressure: Class 150-2500 LB (PN10-PN420)
» Material: ASTM A216 WCB, WCC, 217 WC6, WC9, C5, C12A, A352 LCB, LCC, A351 CF8, CF8M, CF3M, CF8C
» End Connections: Flanged (FF, RF, RTJ) to international standards
» Design and Manufacture: BS 1868, API 6D, DIN 3352
» Face to Face (End to End): ANSI B16.10, EN 558 series
» Flanged Connection: ASME B16.5, ASME B16.47, EN 1092 series
» Butt Welded End: ANSI B16.25
» Test and Inspection: API 598, ISO 5208, EN 12266-1
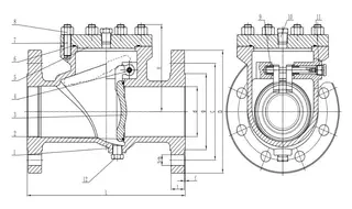
Structural Diagram

Product Features
» Cast steel swing check valve is used to prevent back flow in the line. Flow is in a straight line through the valve resulting in minimal pressure drop. The disc swings into the open position as the media flows through the line. Back pressure in the line holds the disc in the closed position.
» Cast steel Swing check valves may be installed in horizontal or vertical lines, but must be installed in proper relation to the media flow as indicated by the flow direction arrow marked on the body.
» Accessories such as bypasses, locking devices, counter weight and many others are available to meet the customers’ requirements.