Butterfly valves have long played a critical role in flow control systems across a wide range of industries. Among them, gear operated wafer butterfly valves stand out for their simplicity, cost-effectiveness, and operational reliability. These valves use a mechanical gear operator—typically a handwheel connected to a gearbox—to modulate or isolate flow in a pipeline. The gear mechanism provides a mechanical advantage, allowing for smoother operation, particularly in larger valve sizes or high torque applications.
While not as fast-acting as electric actuators or as flexible as some manual configurations, gear operated butterfly valves remain a preferred solution in many industrial applications due to their balance of performance, affordability, and ease of use. However, like all valve types, they come with both advantages and limitations. In this comprehensive guide, we will explore the key features, benefits, challenges, and typical applications of gear operated wafer butterfly valves to help professionals make informed decisions.
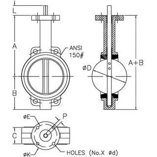
A wafer butterfly valve is designed to fit between two flanges using a wafer-style body. The “gear operated” version uses a worm gear mechanism to turn the valve disc, allowing for precise control of flow with reduced effort. These valves are usually operated using a handwheel connected to a gear reducer, which transfers torque to the valve stem and disc.
The gear operator enables the user to open or close the valve slowly and with increased control. This feature becomes especially important in larger valves, where manual force alone would be insufficient. The valve disc, mounted on a shaft, rotates within the pipe to regulate flow—typically achieving full open or closed positions with a 90-degree turn.

A typical gear operated wafer butterfly valve consists of the following components:
Body: Wafer-style to fit snugly between pipe flanges.
Disc: The primary closure element, which rotates to control fluid flow.
Stem/Shaft: Connects the disc to the gear operator.
Gearbox: Houses the worm gear and handwheel, allowing for torque multiplication.
Seat: Provides a tight seal when the disc is closed, typically made from resilient materials like EPDM, PTFE, or NBR.
Seal/O-Rings: Prevent leakage around the stem and between components.

One of the main attractions of gear operated butterfly valves is their affordability compared to electrically actuated valves. They provide reliable service at a fraction of the cost, making them an excellent choice for budget-conscious operations without compromising too much on control.
The gearbox mechanism reduces the amount of force required to operate the valve. This is particularly useful in high-pressure systems or larger diameter valves where manual operation would be impractical.
Gear operated butterfly valves have fewer moving parts compared to other types of valves, resulting in lower maintenance demands. The gearboxes are usually enclosed and protected from environmental contaminants, extending service life.
Made from corrosion-resistant materials like stainless steel, ductile iron, or coated carbon steel, these valves are built to withstand demanding environments. Their robust construction ensures long-term durability in a wide range of applications, from water treatment to chemical processing.
Despite their mechanical complexity, wafer butterfly valves have a relatively compact profile. The wafer body minimizes face-to-face dimensions, which helps conserve space in piping systems.
These valves are suitable for a variety of fluids—including water, air, slurry, and some chemicals—across industries such as:
Water and wastewater treatment
Food and beverage
HVAC
Power generation
Pulp and paper
Marine and shipbuilding
Gear operated wafer butterfly valves are generally not recommended for high-pressure or high-temperature applications. Their sealing systems and construction materials limit their ability to handle extreme service conditions compared to gate, globe, or ball valves.
Unlike lever-operated or automated valves, gear operated valves require multiple turns of the handwheel to open or close fully. This slower response time may not be suitable in situations requiring rapid shutoff or emergency actuation.
Although the valve body itself is compact, the addition of a gearbox increases the overall size and weight. This could pose installation challenges in confined or overhead spaces where operator access is limited.
While the gear mechanism allows for incremental adjustment, butterfly valves are not ideal for precision throttling. Flow control tends to be less accurate than in globe valves or control valves, particularly at low flow rates.
Over time, wear and tear on the valve seat or disc can lead to internal leakage, especially in abrasive or corrosive media. Periodic inspection and maintenance are necessary to maintain a reliable seal.
Gear operated valves offer basic open-close functionality but lack the fine modulation capabilities of electric or pneumatic control valves. This makes them less ideal for systems requiring tight control of flow rate or pressure.
Gear operated butterfly valves are extensively used in water treatment facilities for isolating and controlling flow in pipelines. Their corrosion-resistant design and ease of operation make them ideal for both raw and treated water systems.
In the chemical industry, these valves are commonly found in non-critical service lines where aggressive media compatibility is ensured through proper material selection. Gear operation provides the torque necessary to overcome higher internal resistance.
Hygienic versions of wafer butterfly valves, equipped with food-grade seats and polished surfaces, are used in food production plants for low-pressure cleaning fluids, syrups, and beverages.
Butterfly valves are ideal for regulating chilled water, condenser water, and air in HVAC systems. Gear operation ensures smooth and controlled actuation in large commercial systems.
Due to their quick shut-off capabilities and space-saving design, gear operated wafer butterfly valves are used in fire sprinkler systems and deluge systems where compactness and reliability are key.
Ensure correct alignment between the pipe flanges and valve body.
Do not use the valve to force pipe alignment.
Proper flange gaskets and bolt torque are essential for leak-free operation.
Always verify that the disc rotates freely through its full range before final tightening.
Periodically inspect the gearbox for wear or debris.
Lubricate the gear mechanism according to manufacturer recommendations.
Check seat and disc condition for signs of wear, corrosion, or leakage.
Test valve operation routinely to ensure smooth opening and closing.
Choosing the right materials for the valve body, disc, and seat is critical to achieving optimal performance:
|
Component |
Common Materials |
Notes |
|
Body |
Cast Iron, Ductile Iron, Stainless Steel |
Depends on pressure and media |
|
Disc |
Stainless Steel, Aluminum Bronze, PTFE-coated |
Must resist fluid corrosion |
|
Seat |
EPDM, NBR, PTFE, Viton |
Select based on chemical compatibility |
|
Stem |
Stainless Steel, 17-4PH |
High strength and corrosion resistance |
|
Feature |
Gear Operated |
Manual Lever Operated |
Electric Actuated |
|
Torque Handling |
High |
Low |
Very High (depends on motor) |
|
Cost |
Medium |
Low |
High |
|
Speed of Operation |
Moderate |
Fast |
Very Fast (programmable) |
|
Maintenance |
Low |
Low |
High (electrical components) |
|
Control Precision |
Moderate |
Low |
High |
|
Installation Complexity |
Moderate |
Low |
High |
Gear operated wafer butterfly valves offer a compelling combination of cost efficiency, mechanical reliability, and ease of operation. They are especially suitable for medium to low-pressure systems that do not require rapid actuation or fine modulation. Their space-saving wafer design and durable materials make them ideal for a wide array of applications—from water management to industrial processing.
However, potential users must weigh their limitations carefully, particularly in applications that demand precision control, fast response, or high-pressure containment. With proper selection, installation, and maintenance, these valves can serve as dependable components in fluid control systems for years to come.
Source: https://www.mfrsvalve.com/news/gear-operated-wafer-butterfly-valves-a-complete-guide-to-performance-applications-and-considerations.html