One-piece Ball Valves

We just delivered a large number of ball valves for one of the South American clients.
 
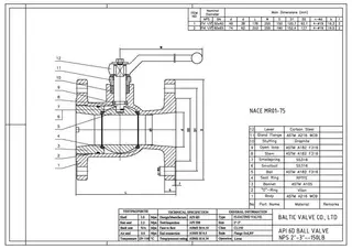
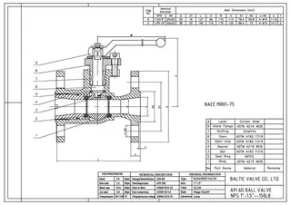
Description
API 6D Ball Valve with Lever operated (locking device)
ONE piece body,
Floating Type, Reduce Bore
Fire Safe, Anti-Static Device, Anti-Blow out Proof Stem
 
Ends Connection: Flange ends as per ASME B16.5 - RF facing
Face to Face Dimension: as per ASME B16.10
Testing & Inspection: as per API 6D
 
Body: ASTM A216 WCB
Stem: ASTM A182 F316
Ball: ASTM A182 F316
Seat: R-PTFE
Materials meet NACE MR0175
 
Item 1)   70 Qty    1” x 150LB
Item 2)   70 Qty  1.5” x 150LB
Item 3)  120 Qty    2” x 150LB
Item 4)   50 Qty    3” x 150LB
 
If you are interested in the above valves, pls freely contact us via email: inquiry@baltic-valve.com
 
Kindly, please find the attached GA drawing and pictures of the valve.
 
BALTIC VALVE CO., LTD
DATED January 9, 2023
 
















 

Send your message to this supplier


Related Articles from the Supplier

Related Articles from China Manufacturers

Related Products Mentioned in the Article

balticvalve

balticvalve

  • http://www.baltic-valve.com/
  • Address: 厦门市思明区新景海韵园225号602室
  • Phone: 0592-8266140
  •  
  • Business Type: Trading,

Supplier Website

Source: https://www.baltic-valve.com/news/one-piece-ball-valves.html