We just delivered many metal seated
ball valves to one of our major customers in the UK.
All
valves are painted, and their min thickness is 150 microns.
Description:
API 6D BALL VALVE, Metal Seat
Side entry, split body, Solid Ball, Full Bore, floating ball
Fire Safe Design, Anti-Static Device Blow Out Proof Stem
Material:
Body: A105N
Ball: F316+Tungsten Carbon Coated
Stem: ASTM A479 Gr. XM-19
Seat: F316+Tungsten Carbon Coated
Flexible Graphite Seal
Stud/Nut:A193 B7M/ A194 2HM
Connection Ends: RF flange as per ASME B16.5
Face to Face dimension: ASME B16.10
Other Request: NACE MR0175
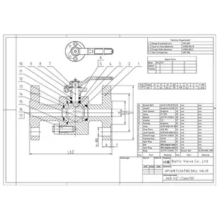
Item 12) 70 PCS size: 1/2inch class: 150 LB with lever
Face to Face =108 MM
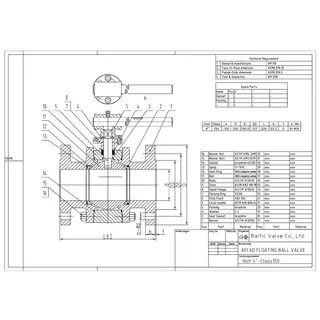
Item 13) 5 PCS size: 4inch class: 150 LB with lever
Face to Face =229 MM
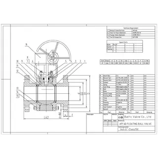
Item 14) 36 PCS size: 6inch class: 150 LB with gearbox
Face to Face =394 MM



