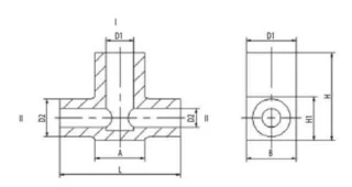
Gate valves serve as crucial control components in fluid transportation systems within industries such as power plants, chemicals, and petroleum. The valve body, a primary component of gate valve structure, functions as a conduit for fluid media, enduring pressure, temperature, and corrosion. F91 steel, classified as an improved 9Cr-1Mo high-strength ferritic heat-resistant steel, exhibits exceptional oxidation resistance, resistance to high-temperature steam corrosion, and impressive impact toughness. Its stable structure at temperatures below 600°C and relatively lower cost make it widely used in manufacturing valve bodies for high-temperature and high-pressure conditions.


Forging Process Implementation:
Preparation:
Implementation of Process:
Heat Treatment After Forging:
Operational Considerations:
Conclusion: The production of F91 and similar high-alloy steel gate valve bodies using free forging equipment requires a rational forging process based on actual part conditions. The use of auxiliary tools like molds significantly reduces excess material, enhances forging precision, and controls fiber flow, ensuring the components meet design specifications. Our company's adoption of this process for the production of gate valve bodies in nuclear and thermal power equipment has resulted in components that fully comply with inspection standards, meeting the strength design requirements.
Source: https://www.valvesforged.com/news/forging-process-and-production-of-f91-gate-valve-bodies.html