DIN Gate Valves with Big Sizes (PN16 Series)

We just delivered some gate valves with big sizes to one of our major clients in Europe.
 
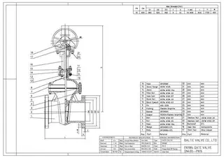
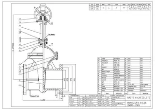
Descriptions
EN1984 GATE VALVE, with gearbox + hand wheel
OS&Y, BB, BG, flexible wedge, full port
 
Ends connection: Flange ends, as per EN 1092-1 type B1
Face to Face Dimension: EN558/Row 15
 
Body: GP240GH
Trim: 5# (full STL)
 
Item 1)  DN400-PN16  L= 600 MM
Item 2)  DN500-PN16  L= 700 MM
 
If you are interested in DIN/EN gate valves, pls freely contact us via email:
inquiry@baltic-valve.com
 
Kindly, please find the attached GA drawings and valve pictures.
 
 
BALTIC VALVE CO., LTD
DATED MAY 9, 2023
 


DIN Gate Valves

DIN Gate Valves

DIN Gate Valves

DIN Gate Valves
 
drawings for DIN gate valve

drawings for DIN gate valve
 

Send your message to this supplier


Related Articles from the Supplier

Related Articles from China Manufacturers

Related Products Mentioned in the Article

balticvalve

balticvalve

  • http://www.baltic-valve.com/
  • Address: 厦门市思明区新景海韵园225号602室
  • Phone: 0592-8266140
  •  
  • Business Type: Trading,

Supplier Website

Source: https://www.baltic-valve.com/news/din-gate-valves-with-big-sizes-pn16-series.html