DIN Ball Valves with Bare Stem, Top Flanges and SS304 Brackets
We finished manufacturing a few qty of DIN ball valves for one of our European clients, the details are as follows:
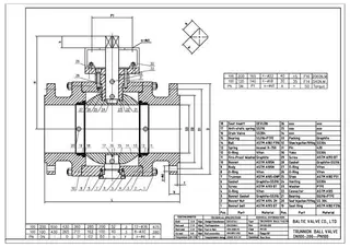
The description of the product
DIN ball valve, bare stem + top flange ISO 5211 + SS304 bracket
3-pc body, Trunnion mounted, side entry, full bore
Double shaft seal, venting and drain plug
Anti blow-out proof shaft
Fire safe design: API 607
Anti static device
Valve design: as per API 6D
Ends connection: flange ends as per EN1092-1/B2
Face to face dimension: as per EN558-1/ line 2
Testing & Inspection: ISO 5208 grade A
Medium: mineral oil
Working pressure: 70 bar
Body, bonnet: ASTM A105 (with epoxy coating 200 microns)
Ball: ASTM A182 F316 (solid ball)
Stem: ASTM A182 F51
Seat Ring: ASTM A182 F316
Seat insert: DEVLON
Item 1) 6Qty PN100 - DN100 L=430MM
ISO 5211 F14. torque 540 N.m
Item 2) 6Qty PN100 - DN200 L=650MM
ISO 5211 F16. torque 2060 N.m
Kindly, please find the attached GA drawing and pictures of the valves.
BALTIC VALVE CO., LTD
DATED December 05, 2022




Send your message to this supplier
Related Articles from the Supplier
Related Articles from China Manufacturers
Related Products Mentioned in the Article