| Design specification | Face to face dimension | Connecting Flange | Test and Spection | Product marks | Supply Specification |
| GB/T 12236 | GB/T 12221 | GB/T 4216 | GB/T 13927 | GB/T 12220 | GB/T 7928 |
| No. | Part name | Grey Cast Iron | Cast Steel | Stainless Acid Resistant Cast Steel | Ultra-low Carbon Stainless Acid Resistant Cast Steel | ||
| Z | C | P | R | PL | RL | ||
| 1 | Body | GG 25 | WCB | CF8 | CF8M | CF3 | CF3M |
| 2 | Bonnet | GG 25 | WCB | CF8 | CF8M | CF3 | CF3M |
| 3 | Lined | Natural / Synthetic / Hard Rubber or PTFE / FEP / PFA | |||||
| 4 | Disc | Carbon Steel Fully Covered with Fluoroplastics, Rubber | |||||
| Type | Nominal Diameter DN (mm) |
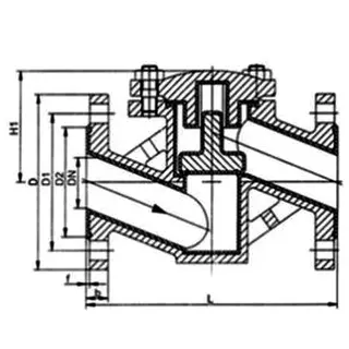
Dimensions (mm) | ||||||
| L | D | D1 | D2 | Z-фd | b | H | ||
| H41J/FS-16T | 15 | 130 | 95 | 65 | 45 | 4-ф14 | 14 | 77 |
| 20 | 150 | 105 | 75 | 55 | 4-ф14 | 14 | 77 | |
| 25 | 160 | 115 | 85 | 65 | 4-ф14 | 16 | 80 | |
| 32 | 180 | 135 | 100 | 78 | 4-ф18 | 16 | 85 | |
| 40 | 200 | 145 | 110 | 85 | 4-ф18 | 16 | 95 | |
| 50 | 230 | 160 | 125 | 100 | 4-ф18 | 16 | 105 | |
| 65 | 290 | 180 | 145 | 120 | 4-ф18 | 18 | 120 | |
| 80 | 310 | 195 | 160 | 135 | 8-ф18 | 20 | 130 | |
| 100 | 350 | 215 | 180 | 155 | 8-ф18 | 20 | 140 | |
| 125 | 400 | 245 | 210 | 185 | 8-ф18 | 22 | 155 | |
| 150 | 480 | 280 | 240 | 210 | 8-ф23 | 24 | 180 | |
| 200 | 600 | 335 | 295 | 265 | 12-ф23 | 26 | 215 | |
| H41J/FS-25T | 15 | 130 | 95 | 65 | 45 | 4-ф14 | 16 | 77 |
| 20 | 150 | 105 | 75 | 55 | 4-ф14 | 16 | 77 | |
| 25 | 160 | 115 | 85 | 65 | 4-ф14 | 16 | 80 | |
| 32 | 180 | 135 | 100 | 78 | 4-ф18 | 18 | 85 | |
| 40 | 200 | 145 | 110 | 85 | 4-ф18 | 18 | 95 | |
| 50 | 230 | 160 | 125 | 100 | 4-ф18 | 20 | 105 | |
| 65 | 290 | 180 | 145 | 120 | 8-ф18 | 22 | 120 | |
| 80 | 310 | 195 | 160 | 135 | 8-ф18 | 22 | 130 | |
| 100 | 350 | 230 | 190 | 160 | 8-ф23 | 24 | 140 | |
| 125 | 400 | 270 | 220 | 188 | 8-ф25 | 28 | 155 | |
| 150 | 480 | 300 | 250 | 218 | 8-ф25 | 30 | 180 | |
| 200 | 600 | 360 | 310 | 278 | 12-ф30 | 34 | 215 | |
Source: https://www.shinjovalve.com/h41-rubber-ptfe-fep-pfa-lined-check-valve.html
Copyright © 2015-2026 China Manufacturers, CNMFRS.COM, All rights reserved.
谷歌优化(Google SEO)