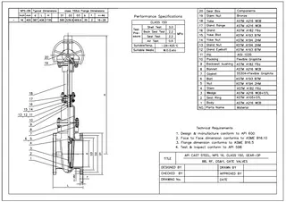
| Type | Gate Valve |
| Size | 16 Inch |
| Pressure | 150 LB |
| Connection | RF |
| Operation | Gear Operation |
| Body Material | ASTM A216 WCB |
| Design Norm | API 600 |
| Face to Face Dimensions | ASME B16.10 |
| Flange Dimensions | ASME B16.5 |
| Test & Inspection Code | API 598 |
| Temperature | -29 ~ 425°C |
| Applicable Medium | Water, Oil and Gas |






