Segmented Ball Control Valve, DN80, PN16, ASTM A351 CF8/CF8M

Segmented Ball Control Valve, DN80, PN16, ASTM A351 CF8/CF8M

Key Specifications / Features

Available in sizes DN25 to DN500, this ball control valve features ASTM A351 CF8, CF8M, and ASTM A216 WCB construction for durability, with integrated ISO 5211 actuator connections for seamless automation. It operates across a range of pressures from PN16 to PN40 and Class 150 LB to Class 600 LB, meeting diverse operational needs. Certified with ISO9001 and CE, it ensures high-quality standards and easy installation with ISA S75.04 and IEC/DIN 534-3-2 flange types. The ball control valve achieves superior seal tightness with options for metal seats with Class V or Class VI Tungsten Carbide trim, and Class VI soft seals. Featuring clockwise valve trim rotation and an equal percentage flow characteristic, it excels in applications including pulp and paper, wastewater treatment, food and beverage, chemical plants, power plants, and the steel industry.
Request a quote

Detail Information

Product Description

Product Name: Segmented Ball Control Valves
Size Range: DN25-DN500
Body Material: ASTM A351 CF8, CF8M, ASTM A216 WCB
Actuator Connection: ISO 5211
Technical Features:
Working Pressure: PN16, PN25, PN40, Class 150 LB, 300 LB, 600 LB
Certificate: ISO 9001 & CE Accredited
Flange Type:
Face to Face: ISA S75.04, IEC/DIN 534-3-2
Seal Tightness:
Metal Seat: Class V (standard), Class VI (with Tungsten Carbide Coated Trim)
Soft Conta: Class VI
Valve Trim Rotation: Clockwise to close
Flow Characteristic: Equal Percentage
Application: Pulp and paper, waste water treatment, food and beverage, chemical plants, power plants, steel industry, etc.







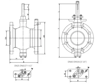
drawing
Drawing for Segmented Ball Control Valve


dimensions

Dimensions

dimension

Flow Characteristic
Flow Characteristic

 
SIZE CV
DN25 36
DN32 56
DN40 94
DN50 152
DN65 262
DN80 358
DN100 540
DN125 906
DN150 1424
DN200 2176
DN250 3532
DN300 5732
DN350 8245
DN400 10651
DN450 12878
DN500 16343


 

Send your message to this supplier

FAQs

Similar Products

Related Searches

Products you might also like