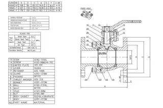
Product Name: Floating Ball Valve
Standard: API 608, API 6D
Size: 10 Inch, DN250
Pressure: Class 300 LB, PN50
Body material: ASTM A351 CF8
End connection: RF/RTJ/BW
Operation: Lever/Gear
Bore: Full Bore and Reduced Bore
Design: Blow-out proof stem design, Anti-static design and API 6FA Fire Safe Design
