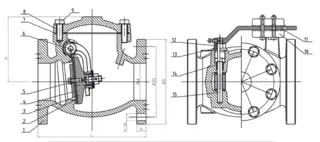
Product Item: Swing Check Valve with Weight & Lever
Connection Ends: Flange to ASME B16.1 Class 125 LB
Working Pressure: 300 PSI
200 PSI and 250 PSI available upon request
Temperature Range: 0℃ to 80℃
Coating: Fusion Bonded Epoxy Coating in accordance with ANSI/AWWA C550



