Product Name: Ductile Iron Foot Valve
Body Material: GGG40
Screen Material: SS 304
Seals Material: NBR
Size: DN100, 4 Inch
Pressure: PN16, Class 150 LB
End Connection: Flanged
Temperature Range: -29°C to 80°C
Medium: Clean Water
Foot Valves are installed at the end of a suction line to prevent fluid in the line from draining when the pump is switched off, eliminating the need for re-priming at startup. Developed to provide reliable performance, these valves ensure positive seating at both low and high pressures without slamming.
Cast iron foot valves are commonly used on the suction side of pumps to prevent flow reversal from the pump back to the sump, helping maintain pump priming. They also act as a barrier against the entry of foreign matter into the pump through the suction pipe. Designed for use with clear water, these valves comply with the requirements of IS:4038 within the specified limits.
Technical Specification
» Product Name: Foot Valve
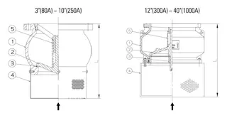
» Nominal Diameter: NPS 3– 40 Inches (DN80–DN1000)
» Temperature Range: -29 °C to 80 °C
» Design Pressure: Class 150, 300 LB, PN10, PN16, PN25
» Materials: Ductile Iron, Carbon Steel, Bronze, etc.
» End Connection: RF, FF
» Unique design with a self-cleaning diaphragm
» Operates via pressure differential and in any angle or position
» No poppet valve, eliminating wear or jamming issues
» Easy-access screw cap for quick servicing
» Reduced blockages due to low fluid velocity through slots
» Materials approved for use with potable (drinking) water
Structural Diagram

Product Features
» Excellent and robust design with minimal head loss across the valve
» Rigid, sturdy construction for long service life
» Perfectly flat seating faces ensure reliable sealing
» Manufactured under a certified ISO 9001 quality management system
» Available in sizes 2– 20 Inches
» Unique seating design delivers positive shut-off at all pressure ranges without additional seal loading
» Silent operation with short linear stroke
» Ideal for priming split case pumps
» Heavy-duty stainless steel screening with a flow area 3–4 times greater than the pipe area
» Synthetic seating ring provides a drop-tight seal
» Full ported area equal to pipe size throughout the valve
» Optional fusion-bonded epoxy coating
» Suitable for potable (drinking) water applications