This API 600 compliant rising stem gate valve from a trusted supplier features a robust carbon steel ASTM A216 WCB body, designed for durability and reliable performance in demanding industrial applications. With a 2-inch (DN50) bore, it is rated for Class 300 LB (PN50) pressure, making it suitable for high-pressure systems. The valve comes with RF flanged ends for secure, leak-tight connections and is handwheel operated, offering precise manual control. The rising stem design provides clear visual indication of valve position, enhancing operational safety and efficiency.
Product Name: API 600 Rising Stem Gate Valves
Design Standard: API 600
Body Material: ASTM A216 WCB
Size: 2 Inch, DN50
Pressure: Class 300 LB, PN50
End Connection: RF Flanged
Operation: Handwheel
Medium: Water, Oil, Gas, etc
Temperature Range: -29°C to 595°C
Cast Steel Gate Valves are engineered to maintain a leakage rate below 100 ppm (parts per million) of volatile organic compounds (VOCs). To achieve this, extensive baseline laboratory testing, encompassing both static and cycle testing, has been conducted. This testing has established the critical design parameters essential for low-emission sealing in the stem packing and bonnet gasket areas. Additionally, an in-house testing procedure has been developed and is regularly executed to ensure that the valves consistently meet the maximum 100 ppm VOC leakage standard before they are shipped.
Technical Specification
» Nominal Diameter: NPS 2-48 Inch (DN50-DN1200)
» Design Pressure: Class 150-2500 LB (PN10-PN420)
» Materials: ASTM A216 WCB, WCC, A217 WC6, WC9, C5, C12A, A352 LCB, LCC, A351 CF8, CF8M, CF3M, CF8C, CN3MN
» End Connections: Flanged (FF, RF, RTJ) to international standards
» Operation: Hand Wheel, Bevel Gear, Electric, Pneumatic
» Design and Manufacture Standards: ANSI B16.34, API 600, API 6D, API 603, BS 1414
» Face to Face (End to End): ANSI B16.10, API 6D
» Flanged Connections: 2-24 Inch to ANSI B16.5; 22 Inch, 26-36 Inch to MSS-SP-44 or API 605 (on request)
» Test and Inspection Standards: API 598, API 6D
» Butt Welded Ends: ANSI B16.25
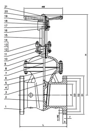
Structural Diagram

Product Features
» Anti-friction ball thrust bearing: Reduces friction between mating parts to ensure smooth operation.
» Grub screw: Secures the yoke nut in the bonnet.
» Grease nipple: Supplies lubricant to the mating parts.
» OS&Y (Outside Stem and Yoke): Design feature that allows the stem to extend outside the bonnet, facilitating easy inspection and maintenance.
» Metal-sealed, API Trim #1, #5, #8, #10, etc.: Offers metal-to-metal sealing with various API trim options to suit different applications.
» Optional Locking Device or Stem Extension: Provides additional security or ease of operation as needed.
» Optional Direct Mounting to ISO 5211: Allows for direct mounting to actuators conforming to the ISO 5211 standard.
» Full Port: Ensures unrestricted flow through the valve, minimizing pressure drop.