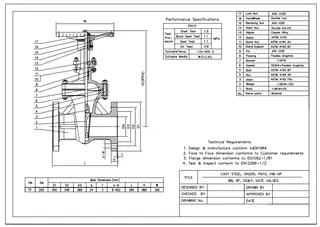
| Type | Gate Valve |
| Size | DN200 |
| Pressure | PN10 |
| Connection | EN1092-1 B |
| Operation | Handwheel |
| Body Material | 1.0619+STL |
| Design Norm | EN 1984 |
| Face to Face Dimension | Customer requirements |
| Flange Dimension | EN 1092-1/B1 |
| Test & Inspection Code | EN 12266-1/2 |
| Temperature | -10 - 400°C |
| Applicable Medium | Water, Oil and Gas |









