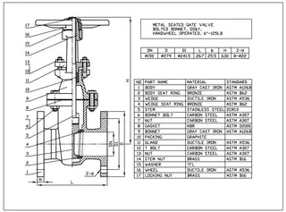
| Type | Gate Valve |
| Size | 6 Inch |
| Design Pressure | Class 125 LB |
| Construction | Bolted Bonnet, OS & Y |
| Connection Type | Flat Flange |
| Operation | Handwheel |
| Design Code | AWWA C500 |
| Body Material | ASTM A126, Class B |
| Disc Material | Ductile Iron A536 |
| Seat Ring | Bronze |
| Application | Water |


