ISO 15761 BSP Gate Valve, A182 F51, NPS 1-2, 800 LB, ASME B16.34

ISO 15761 BSP Gate Valve, A182 F51, NPS 1-2, 800 LB, ASME B16.34

Key Specifications / Features

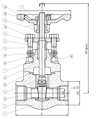
China BSP Gate Valve Provider Offers ISO 15761 BSP Female Gate Valve, A182 F51 Body, 31803 Trim, NPS 1 - 2 Inch, Class 800 LB, ASME B16.34, Flanged.
Request a quote

Detail Information

Type: ISO 15761 BSP Gate Valve.
Body Material: A182-F51.
Trim Material: 31803.
Valve Size: 1 Inch, 2 Inch.
Pressure Rating: Class 800 LB.
Design: ISO 15761.
Pressure-temperature Rating: ASME B16.34.
Testing: API 598.
Connection: Flange or BSP Female.
Molding Style: Forging.

ISO 15761 BSP Gate Valve, A182 F51, NPS 1-2, 800 LB, ASME B16.34

Quality Assurance (QA): 
Every step from procurement through production, welding, assembly, testing, and packaging is in accordance with quality programs and procedures.
 

Send your message to this supplier

FAQs

Similar Products

Related Searches

Products you might also like