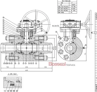
Valve Description:
181105093 Compact Ball Valve
Design Standard: API 6A/API 6D
Structure: 1PC Body
Nominal Size: 1-13/16 Inch to 11 Inch
Nominal Class: 2000-15000 PSI
Bore Type: Full Bore or Reduced Bore
End Connection: RTJ, BW, and Hub
Operation: Lever/Gear/Bare Shaft
Body Material: AISI 4130/ASTM A694 F60/A694 F65
Trim Material: AISI 4140/F51/17-4PH/Inconel Trim
Seat Insert: POM/PEEK or hard faced
Face to Face: ASME B16.10/MFG'S
Test and Inspection: API 6A/API 6D
Key Features:
Compact design with short face-to-face and low weight
Low torque
Easy for maintenance
Removable seat retainer to reduce torque, and it is easy to repair
• Material Class: AA, BB, CC, DD, EE, FF, HH
• Temperature Class: L, N, P, S, T, U, V, X, Y
• Specification: PSL1 - PSL3G
• Performance: PR1, PR2
Product Range:
Body Material: Carbon Steel, Stainless Steel, Alloy Steel
Normal Diameter: 1-13/16 - 11 Inch
Pressure Range: 2000PSI - 15000PSI
End Connection: RF, RTJ, BW, HUB
Working Temperature: -26°C - +150°C
Operation: Manual(lever, gear), Pneumatic Actuator, Motor Actuator
